
【ISCO】AN05 _ 超臨界流體在工業反應的應用 (Supercritical Fluids in Reaction Engineering)
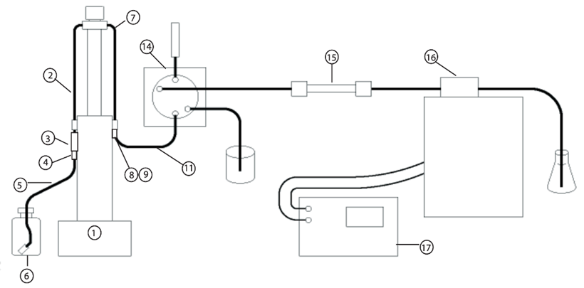
Teledyne Isco syringe pumps are well suited for use with CO₂ and provide the best in accuracy and reli- ability. Flow rate accuracy is +/- 0.5 % or better, and flows are pulseless.





